復活!CP/M ワンボードマイコンでCP/Mを!
CP/MがTK−80互換のワンボードマイコンの上で復活します
ND80ZVとMYCPU80の上でCP/Mが走ります!
[第240回]
●ND80Z3.5回路図
ND80Z3.5はその名の通りND80ZVをほんの少しだけ改良したものです。
そういう意味でND80ZWではなくてND80Z3.5としたのです。
ですのでND80ZVとND80Z3.5は両方を並べてみても、ちょっと見にはほとんど同じに見えます。
じつは搭載しているモニタROMは全く同じものです。
つまりソフトウェアは同じなのです。
それじゃあどこが違うのかといいますと、ハードウェアがちょっとだけ違うのです。
今まで何回か書いておりますように、ND80ZVの上でCP/M互換DOSを走らせるためには、メモリ回路を増設して、64KBをフルRAM構成にしなければなりません。
それだけではなくて、当然今まで通りND80ZモニタもTK−80モニタも使えなくてはいけませんし、CP/M互換DOSのもとでもROMに書かれているシステムプログラムの一部の機能は、必要に応じて利用できなければなりません。
つまり、64KBRAM+32KBROMという構成である必要があります。
ND80ZVをそのように機能拡張するためには、ただ単にメモリ回路を外部に増設するだけではなくて、残念ながらND80ZVそのものの回路にも手を入れて一部を改造しなければなりません。
ND80Z3.5はそのような改造をしなくても済むように、0000H〜7FFFHの同一アドレス上に置いたROMとRAMのアクセス切り換え回路をオンボード化し、その増設RAMのためのエリアも本体ボード上に確保しました。
つまりND80Z3.5ではCP/M互換DOSを走らせるために、メモリボードを外部に増設させる必要がないのです。
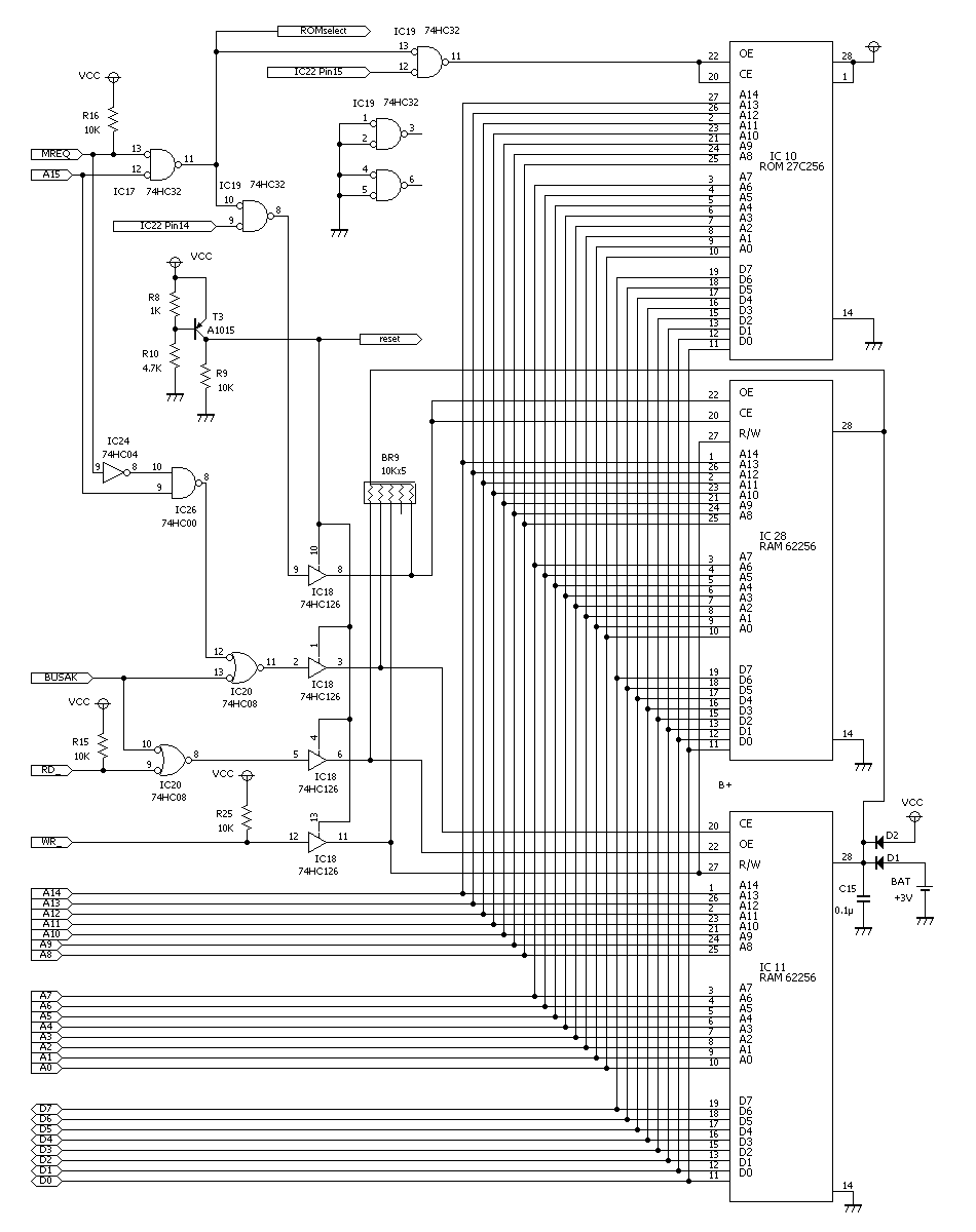
何はともあれ、まずは今回CP/M互換DOSのために変更したND80Z3.5のメモリ部分の回路図をお見せします。

真ん中にあるIC28がROMと同じアドレス(0000H〜7FFFH)に配置した32KBのRAMです。
もっともこのRAM(およびICソケット)はND80Z3.5組立キットには含まれません。
それは近日中に供給開始予定のCP/M互換DOSセットに含まれます。
回路図を見ていただければおわかりの通り増設用のRAMも標準RAMと同じようにボタン電池でバックアップされます。
増設用のRAMとROMとはIC22の出力によって切り換えられます。
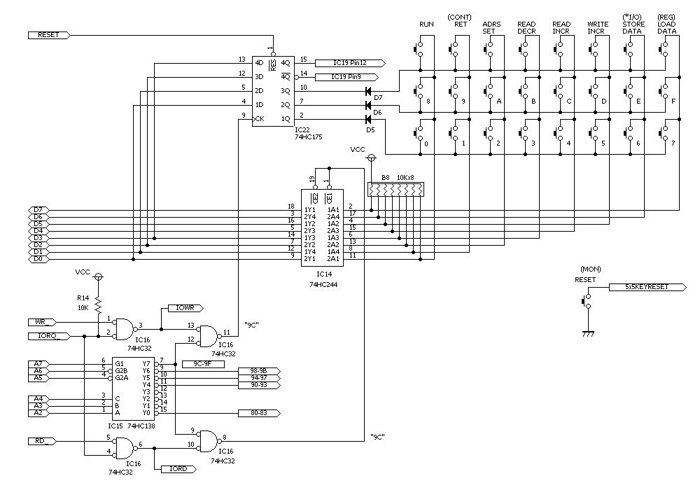
その回路はこちらです。

たまたまキーアクセス回路で未使用になっていた74HC175の一部をROMとRAMの切り換えに利用しました。
ここはND80ZVにRAMを増設するための改造でも同じようにしています。
ND80ZVではあとからこの回路図と上のメモリ部分の回路図のように追加配線をする必要がありますが、ND80Z3.5は最初からそのように配線してあるため、手を加える必要がないのです。
ND80ZVとND80Z3.5は今回お見せした部分が異なるだけですから、CP/M互換DOSを使わない標準的な使い方をする限り、両者に違いは全くありません。
ワンボードマイコンでCP/Mを![第240回]
2012.11.3upload
前へ
次へ
ホームページトップへ戻る